市政府门户网站
|
关怀版
|
无障碍浏览
|
用户空间
|
@国务院 我来说
景德镇市供销合作社联合社
首页
政务资讯
政府信息公开
政务服务
政民互动
专题专栏
当前位置:
首页
>
政务公开
>
政府网站工作年报
2024年政府网站年度报告
来源:景德镇市供销联社
发布时间:2025-02-12 12:30
访问量:
相关文档:
相关附件:
1041526
2024年政府网站年度报告
20
景德镇市供销联社
2025-02-12
2897
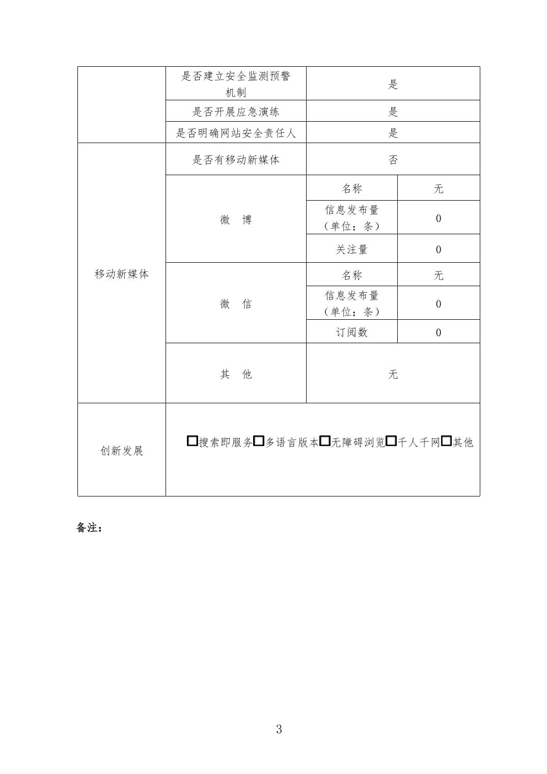
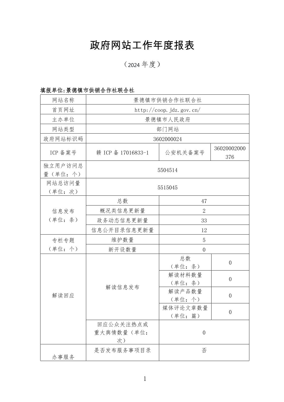
政府网站工作年报